
Wyszukiwarka
Valx Komplet złączek instalacyjnych do rur PEX M22x16 mm czarny mat 2 szt.
dodaj do przechowalni
0
Opis
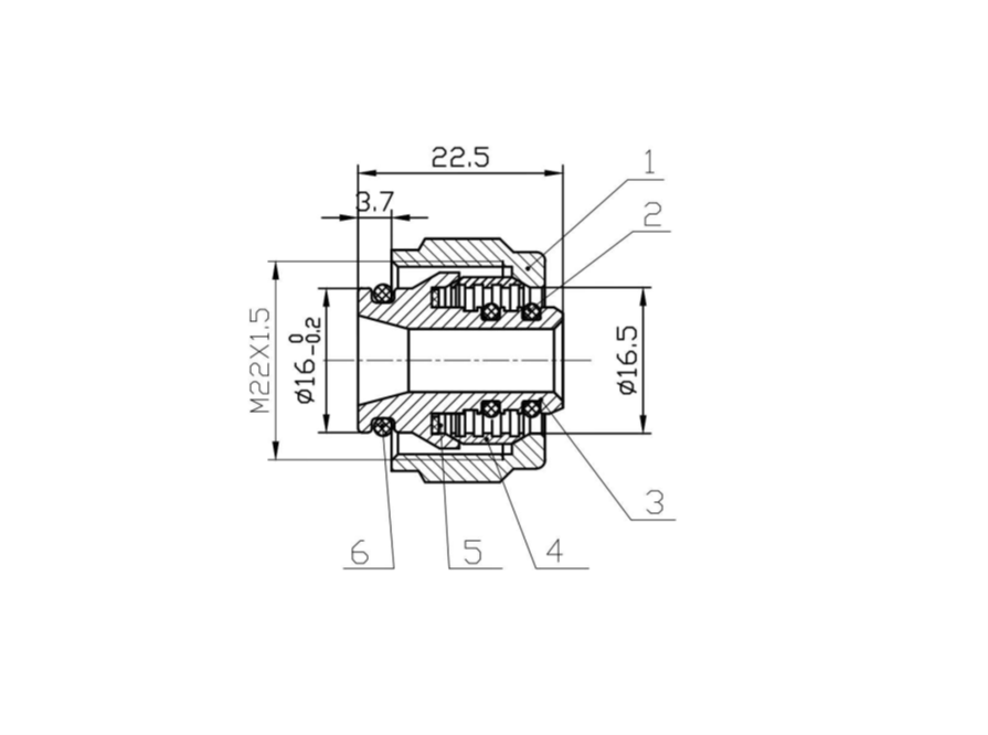
Estetyczna i solidna złączka zaciskowa PEX 16 x M22 w kolorze czarny mat przeznaczona do łączenia rur z tworzyw sztucznych z armaturą grzewczą lub zaworami. Wysoka jakość wykonania zapewnia trwałość i szczelność połączenia. Złączka pasuje do nowoczesnych instalacji grzewczych i pozwala na szybki oraz łatwy montaż.
• Średnica rury: 16 mm
• Gwint zewnętrzny: M22
• Materiał: metal
• Typ złącza: zaciskowe PEX
• Kolor: czarny mat